Den høyeffekts 1653,7nm lasermodulen bruker en plan konstruksjon med brikke på underbærer. Den høye kraftbrikken er hermetisk forseglet i en epoksyfri og flussfri 14-pins sommerfuglpakke og utstyrt med en termistor, termoelektrisk kjøler og monitordiode for å sikre høykvalitets laserytelse. 1653nm 40mW BTF-laserdiode for metangassdeteksjon er Telcordia GR-468-kvalifisert, og i samsvar med RoHS-direktivene.
Den høyeffekts 1653,7nm lasermodulen bruker en plan konstruksjon med brikke på underbærer. Høyeffektbrikken er hermetisk forseglet i en epoksyfri og flussfri 14-pins sommerfuglpakke og utstyrt med en termistor, termoelektrisk kjøler og monitordiode for å sikre høykvalitets laserytelse. Laserproduktene våre er Telcordia GR-468-kvalifisert, og i samsvar med RoHS-direktivene.
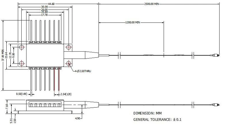
● Industristandard 14-pins sommerfuglpakke;
● Innebygd TEC og optisk isolator;
● Høy ytelse, multiquantum well (MQW) distributed-feedback (DFB) laser.
● Produksjonstesting av passive komponenter for gassdeteksjon;
● Fibergassdeteksjonssystem;
● Laserkilder.
| Parameter | Symbol | Betingelse | Min. | Typ. | Maks. | Enhet |
| Senterbølgelengde | lc | Tl = 15 ~ 35 ℃ kv | 1652.7 | 1653.7 | 1654.7 | nm |
| Optisk utgangseffekt | Etter | CW | - | 40 | - | mW |
| LD Terskelstrøm | ITH | CW | - | 15 | 40 | mA |
| LD Forward gjeldende | Hvis | Pf = Nominell effekt | - | 300 | 400 | mA |
| Optisk isolasjon | - | -10 < TC < +70 ℃ | 30 | - | - | dB |
| Side-modus undertrykkelsesforhold | SMSR | CW | 35 | 40 | - | dB |
| Overvåk respons | Vaksinasjon | - | - | 1 | 20 | var / mw |
| Overvåk responsstabilitet | - | - | - | - | 20 % | - |
| Overvåk mørk strøm | ID | VPD = 5V | - | - | 50 | nA |
| TEC gjeldende | ITEC | Tcase = 75 ℃ | - | - | 2 | A |
| TEC spenning | VTEC | Tcase = 75 ℃ | - | - | 3.5 | V |
| TEC strømforbruk | P | Tstg =25℃ | - | - | 5 | W |
| Termistormotstand | Rth | Tcase = 75 ℃ | 9.5 | 10 | 10.5 | Kohm |
| Termistor B konstant | Bth | Tstg =25℃ | - | 3900 | - | K |
| Bølgelengdedrift (EOL) | △λ | Testet over 25 års levetid | - | - | ±0,1 | nm |
| Bølge. Temperaturkoeffisient | Dl/Dt | TEC-temperatur ved 15℃ til 35℃ | - | 0.09 | - | nm/℃ |
| Bølgelengde Strømkoeffisient | Dl/DI | - | - | 0.01 | - | NM / inn |

Alle produkter er testet før utsendelse;
Alle produkter har 1 års garanti.(Etter at kvalitetsgarantiperioden begynte å belaste passende vedlikeholdsservicegebyr.)
Vi setter pris på virksomheten din og tilbyr en umiddelbar 7 dagers returrett. (7 dager etter mottak av varene);
Hvis varene du kjøper fra butikken vår ikke er av perfekt kvalitet, det vil si at de ikke fungerer elektronisk i henhold til produsentens spesifikasjoner, returnerer du dem til oss for erstatning eller refusjon;
Hvis varene er defekte, vennligst gi oss beskjed innen 3 dager etter levering;
Eventuelle varer må returneres i original tilstand for å kvalifisere for refusjon eller erstatning;
Kjøper er ansvarlig for alle fraktkostnader som påløper.
Spørsmål: Hva er nøyaktigheten til bølgelengden?
A: +/-0,5 nm.
Spørsmål: Har du andre versjoner av utgangseffekten?
A: 10mW, 15mW, 50mW.
C-båndet smal linjebredde integrert avstembar laserenhet ITLA
1550nm 40mW 200Khz smal linjebredde DFB Butterfly Laser Diode
1550nm 40mW 600Khz DFB sommerfuglpakke Laserdiode med smal linjebredde
1550nm 50mW 100Khz smal linjebredde DFB Butterfly Laser Diode
1550nm 2mW 5mW Koaksial laserdiode med smal linjebredde
1550nm 100MW 100kHz smal linjebredde DFB laserdiode BTF med SM/PM -fiberCopyright @ 2020 Shenzhen Box Optronics Technology Co., Ltd. - China Fiber Optic Modules, Fiber Coupled Lasers Produsenter, Laserkomponenter leverandører alle rettigheter reservert.