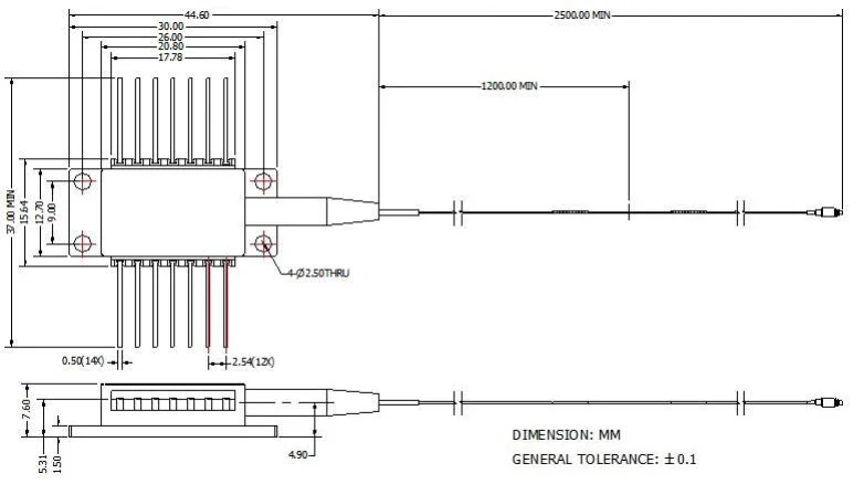
1653nm 40mW DFB Laser Diode For Metan Sensor CH4 Sensing bruker en plan konstruksjon med brikke på underbærer. Høyeffektbrikken er hermetisk forseglet i en epoksyfri og flussfri 14-pins sommerfuglpakke og utstyrt med en termistor, termoelektrisk kjøler og monitordiode for å sikre høykvalitets laserytelse. Laserproduktene våre er Telcordia GR-468-kvalifisert, og i samsvar med RoHS-direktivene.
1653nm 40mW DFB Laser Diode For Metan Sensor CH4 Sensing bruker en plan konstruksjon med brikke på underbærer. Høyeffektbrikken er hermetisk forseglet i en epoksyfri og flussfri 14-pins sommerfuglpakke og utstyrt med en termistor, termoelektrisk kjøler og monitordiode for å sikre høykvalitets laserytelse. Laserproduktene våre er Telcordia GR-468-kvalifisert, og i samsvar med RoHS-direktivene.
Industristandard 14-pins sommerfuglpakke;
Innebygd TEC og optisk isolator;
Høy ytelse, multiquantum well (MQW) distributed-feedback (DFB) laser.
Produksjonstesting av passive komponenter for gassdeteksjon;
Fiber gass deteksjon system;
Laserkilder.
| Parameter | Symbol | Betingelse | Min. | Typ. | Maks. | Enhet |
| Senterbølgelengde | λc | TL=15~35℃ CW | 1652.7 | 1653.7 | 1654.7 | nm |
| Optisk utgangseffekt | Po | CW | - | 40 | - | mW |
| LD Terskelstrøm | ITH | CW | - | 15 | 40 | mA |
| LD Forward gjeldende | Hvis | Pf = Nominell effekt | - | 300 | 400 | mA |
| Optisk isolasjon | - | -10 < TC < +70 ℃ | 30 | - | - | dB |
| Side-modus undertrykkelsesforhold | SMSR | CW | 35 | 40 | - | dB |
| Overvåk respons | Jeg /Pf | - | - | 1 | 20 | uA/mW |
| Overvåk responsstabilitet | - | - | - | - | 20 % | - |
| Overvåk mørk strøm | ID | VPD = 5V | - | - | 50 | nA |
| TEC gjeldende | ITEC | Tcase = 75 ℃ | - | - | 2 | A |
| TEC spenning | VTEC | Tcase = 75 ℃ | - | - | 3.5 | V |
| TEC strømforbruk | P | Tstg =25℃ | - | - | 5 | W |
| Termistormotstand | Rth | Tcase = 75 ℃ | 9.5 | 10 | 10.5 | Kohm |
| Termistor B konstant | Bth | Tstg =25℃ | - | 3900 | - | K |
| Bølgelengdedrift (EOL) | △λ | Testet over 25 års levetid | - | - | ±0,1 | nm |
| Bølge. Temperaturkoeffisient | Δλ/ΔT | TEC-temperatur ved 15℃ til 35℃ | - | 0.09 | - | nm/℃ |
| Bølgelengde Strømkoeffisient | Δλ/ΔΙ | - | - | 0.01 | - | nm/mA |

Alle produkter er testet før utsendelse;
Alle produkter har 1-3 års garanti.(Etter at kvalitetsgarantiperioden begynte å belaste passende vedlikeholdsservicegebyr.)
Vi setter pris på din virksomhet og tilbyr en umiddelbar 7 dagers returrett. (7 dager etter mottak av varene);
Hvis varene du kjøper fra butikken vår ikke er av perfekt kvalitet, det vil si at de ikke fungerer elektronisk i henhold til produsentens spesifikasjoner, returnerer du dem til oss for erstatning eller refusjon;
Hvis varene er defekte, vennligst gi oss beskjed innen 3 dager etter levering;
Eventuelle varer må returneres i original tilstand for å kvalifisere for refusjon eller erstatning;
Kjøper er ansvarlig for alle fraktkostnader som påløper.
Spørsmål: Hva er nøyaktigheten til bølgelengden?
A: +/-0,5 nm.
Spørsmål: Har du andre versjoner av utgangseffekten?
A: 10mW, 15mW, 50mW.
1512nm 10mW DFB 14PIN sommerfugllaser for NH3-sensing
1392nm DFB Butterfly Laser Diode for fuktighet H2O sensing
1653nm DFB sommerfugllaserdiode for CH4-deteksjon
1567nm DFB Butterfly Laser Diode For CO Sensing
1578nm 10mW DFB Laser Diode For Hydrogen Sulfide Detection
1580nm DFB sommerfugllaserdiode for CO2-deteksjonCopyright @ 2020 Shenzhen Box Optronics Technology Co., Ltd. - Kina Fiberoptiske moduler, fiberkoblede laserprodusenter, laserkomponentleverandører Alle rettigheter reservert.